gs-z6尊龙凯时pa旗舰厅
- 品牌: 瑞祥牌
- 标准: nb/t47013承压设备无损检测
- 材质: 20#钢
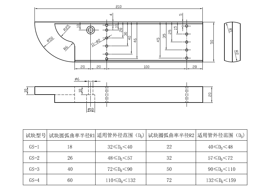
gs试块是依据nb/t 47013-2023承压设备无损检测标准中承压设备ⅱ型焊接接头超声检测要求而设计的试块。相关信息如下:
适用范围:
gs - 1:适用于管外径32 - 48mm,曲率半径16 - 24mm的承压设备管子和压力管道环向对接焊头的检测。
gs - 2:适用于管外径48 - 72mm,曲率半径24 - 35mm的承压设备管子和压力管道环向对接焊头的检测。
gs - 3:适用于管外径72 - 110mm,曲率半径35 - 54mm的承压设备管子和压力管道环向对接焊头的检测。
gs - 4:适用于管外径110 - 159mm,曲率半径54 - 80mm的承压设备管子和压力管道环向对接焊头的检测。
功能用途:
可用于测量探头入射点及探头零点。将选取楔块弧度与试块检测面弧度相同的探头置于试块前端圆弧位置,向特定圆弧发射超声波,前后移动探头,直到圆弧面反射波达到最高点,此时可进行相关测量。
能测试斜探头分辨力。将探头对准试块上的阶梯孔,通过观察检测信号来评估斜探头分辨不同反射体的能力。
可测试探头折射角度。任意选取试块上一深度的横通孔,利用超声波在试块中的传播特性和几何关系,测量探头的折射角度。
用于制作dac曲线。通过测量多个不同深度的横孔的反射波幅度,建立距离 - 波幅曲线,用于对实际检测中缺陷的定量分析。
材质:一般选用电炉或平炉熔炼的碳素结构钢,其成分符合gb/t 699的要求,晶粒度7 - 8级。这样的材质具有良好的声学性能和加工性能,能够保证试块在超声检测中的准确性和稳定性。
gs-1、gs-2、gs-3、gs-4试块 依据nb/t47013-2015承压设备无损检测标准 承压设备ⅱ型焊接接头超声检测要求而设计,适用于将斜探头检测工件厚度范围为4mm~50mm的ⅱ型焊接接头。试块适用范围见下表:



测试方法:(1)将选取楔块弧度与试块检测面弧度相同的探头将探头置于试块前端圆弧位置,向r50mm的圆弧发射超声波,前后移动探头,直到r50mm圆弧面与r25圆弧面反射波达到最高点,此时可测量探头入射点及探头零点。
(2)将探头对准φ10与φ6阶梯孔可测试斜探头分辨力。
(3)任意选取一深度的横通孔可测试探头折射角度。
(4)同时测量多个不同深度的横孔可用于制作dac曲线。